Hidravlični cilinder HPJ, 720 bar, 150 mm
| Osnovne lastnosti | |||
| Model | HPJ 11
S 15 |
HPJ 30
S 15 |
HPJ 60
S 15 |
| Max. delovni
pritisk |
720 bar | 720 bar | 720 bar |
| Tonaža | 11 t | 30 t | 60 t |
| Kapaciteta | 113 kN | 298,7 kN | 610,4 kN |
| Območje
efektivnega tlaka |
15,7 cm2 |
41,5 cm2 |
84,8 cm2 |
| Količina olja | 236 cc | 623 cc | 1272 cc |
| Višina dviga | 150 mm | 150 mm | 150 mm |
| Masa | 11,5 kg | 26 kg | 45 kg |
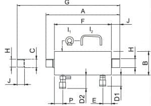
| Dimenzije (mm) – prikaz na skici spodaj: | |||
| A | 320 | 470 | 530 |
| B | 92 | 118 | 157 |
| C | 40 | 40 | 60 |
| D2 | 85 | 85 | 85 |
| F | 250 | 380 | 400 |
| G | 470 | 620 | 680 |
| H | M38x1,5 | M38x1,5 | M54x1,5 |
| J | 30 | 40 | 60 |
| P | 38 | 44 | 52 |


Mnenja
Zaenkrat še ni mnenj.